Parameters
- Support a Baud rate of 40K~5Mbps, and set the Baud rate arbitrarily;
- Support different controller types: CAN, CAN FD ISO or CAN FD Non-ISO;
- Support the software to set 120 Ω terminal resistance switch of CAN(FD) channel;
- Support message filtering function;
- The message sending buffer can be set, and users can choose the most appropriate balance between real-time and large-capacity buffer;
- Working mode: TCP Server, TCP Client, and UDP;
- Support static or dynamic IP acquisition;
- Support 64-bit and 128-bit encryption/decryption, and 256-bit WEP, KIP or AES keys;
- Work port, target IP and target port can be set;
- It supports 1 TCP server, and each server can support up to 16 connections or support up to 16 TCP clients or UDP connections;
- In each mode, you can choose to specify CAN(FD) channel messages and upload error messages, and it can be flexibly applied in various occasions;
- TCP keep-alive mechanism is equipped in TCP Server/Client mode to ensure reliable TCP connection;
- In TCP Client mode, the network will be automatically reconnected after disconnection, and the TCP connection will be established reliably;
- In UDP mode, operations such as multicast and IP segment are supported to make multiple users able to control multiple CAN(FD) channels simultaneously;
- TCP/IP protocols supported include IP, ARP, ICMP, UDP, DHCP, DNS and TCP;
- Flexible CAN(FD) packet settings meet various packet requirements of users;
- The communication protocol is open, and the secondary development interface function library is provided (supporting Windows and Linux platforms);
- The configuration tool can be used to configure the working parameters, and the secondary development interface function library is provided (supporting Windows and Linux platforms);
- Support local system firmware upgrade.
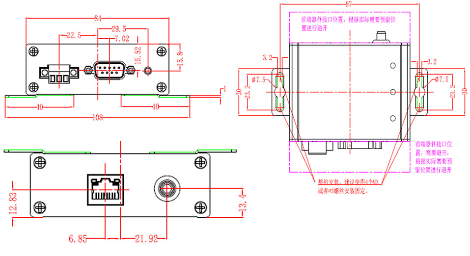
Dimension drawing

Accessories list
The accessories list is for reference only. Please refer to the material object.
| CANFDWiFi-100U | ||||
|---|---|---|---|---|
| SN | Name | Quantity | Unit | Remarks |
| 1 | CANFDWIFI-100U device | 1 | Set | |
| 2 | Network cable | 1 | Piece | |
| 3 | Antenna | 1 | Piece | |
| 4 | M3 screw | 4 | Piece | |
| 5 | 3PIN terminal plug | 1 | Piece | |
| 6 | DB9 adapter terminal | 1 | Piece | |
| 7 | Metal pendant | 2 | Piece | |
| 8 | Certificate of conformity | 1 | Piece | |
